
羞羞答答在线观看各種型號羞羞漫画WWW成人漫画樱缸氣路連接圖/動作順序
一、JRA標準型羞羞漫画WWW成人漫画樱缸氣路連接圖/動作順序
1、JRA標準型羞羞漫画WWW成人漫画樱缸氣路連接圖

2、JRA標準型羞羞漫画WWW成人漫画樱缸動作順序
(1)、電磁閥DT1通電,氣壓作用在儲油筒液壓油表麵,氣缸段總行程開始向下作位移;
(2)、活塞杆位移遇到阻力,DT1保持,此時DT2通電,增壓段總成開始作位移;
(3)、根據加工工件保壓需要,DT2斷電,此時增壓段總成複位,增壓缸卸壓;
(4)、DT1斷電,氣缸段總成複位,液壓油回位到儲油筒,些時一個動作循環完成。
二、JRAA水平安裝型羞羞漫画WWW成人漫画樱缸氣路連接圖/動作順序
1、JRAA水平安裝型羞羞漫画WWW成人漫画樱缸氣路連接圖

2、JRAA水平安裝型羞羞漫画WWW成人漫画樱缸動作順序
(1)、電磁閥DT1通電,氣壓作用在儲油筒液壓油表麵,氣缸段總行程開始向下作位移;
(2)、活塞杆位移遇到阻力,DT1保持,此時DT2通電,增壓段總成開始作位移;
(3)、根據加工工件保壓需要,DT2斷電,此時增壓段總成複位,增壓缸卸壓;
(4)、DT1斷電,氣缸段總成複位,液壓油回位到儲油筒,些時一個動作循環完成。
三、JRB力行程可調型羞羞漫画WWW成人漫画樱缸氣路連接圖/動作順序
1、JRB力行程可調型羞羞漫画WWW成人漫画樱缸氣路連接圖

2、JRB力行程可調型羞羞漫画WWW成人漫画樱缸動作順序
(1)、電磁閥DT1通電,氣壓作用在儲油筒液壓油表麵,氣缸段總行程開始向下作位移;
(2)、活塞杆位移遇到阻力,DT1保持,此時DT2通電,增壓段總成開始作位移;
(3)、根據加工工件保壓需要,DT2斷電,此時增壓段總成複位,增壓缸卸壓;
(4)、DT1斷電,氣缸段總成複位,液壓油回位到儲油筒,些時一個動作循環完成。
四、JRC總行程可調型羞羞漫画WWW成人漫画樱缸氣路連接圖/動作順序
1、JRC總行程可調型羞羞漫画WWW成人漫画樱缸氣路連接圖

2、JRC總行程可調型羞羞漫画WWW成人漫画樱缸動作順序
(1)、電磁閥DT1通電,氣壓作用在儲油筒液壓油表麵,氣缸段總行程開始向下作位移;
(2)、活塞杆位移遇到阻力,DT1保持,此時DT2通電,增壓段總成開始作位移;
(3)、根據加工工件保壓需要,DT2斷電,此時增壓段總成複位,增壓缸卸壓;
(4)、DT1斷電,氣缸段總成複位,液壓油回位到儲油筒,些時一個動作循環完成。
五、JRD總/力行程可調型羞羞漫画WWW成人漫画樱缸氣路連接圖/動作順序
1、JRD總/力行程可調羞羞漫画WWW成人漫画樱缸氣路連接圖

2、JRD總/力行程可調羞羞漫画WWW成人漫画樱缸動作順序
(1)、電磁閥DT1通電,氣壓作用在儲油筒液壓油表麵,氣缸段總行程開始向下作位移;
(2)、活塞杆位移遇到阻力,DT1保持,此時DT2通電,增壓段總成開始作位移;
(3)、根據加工工件保壓需要,DT2斷電,此時增壓段總成複位,增壓缸卸壓;
(4)、DT1斷電,氣缸段總成複位,液壓油回位到儲油筒,些時一個動作循環完成。
六、JRE直壓式羞羞漫画WWW成人漫画樱缸氣路連接圖/動作順序
1、JRE直壓式羞羞漫画WWW成人漫画樱缸氣路連接圖

2、JRE直壓式羞羞漫画WWW成人漫画樱缸動作順序
(1)、增壓缸按照上圖氣路連接圖接好之後,打開氣源,此時增壓缸處於回位狀態;
(2)、電磁閥DT1通電,切換氣路使氣壓作用於氣缸活塞使氣缸活塞開始位移,直接開始直壓;
(3)、根據加工工件保壓需要,調節保壓時間,電磁閥DT1斷電,再次切換氣路,使氣缸和油缸同時回位達到初始狀態。至此一個動作循環完畢。
七、JRF快速單列式羞羞漫画WWW成人漫画樱缸氣路連接圖/動作順序
1、JRF快速單列式羞羞漫画WWW成人漫画樱缸氣路連接圖

2、JRF快速單列式羞羞漫画WWW成人漫画樱缸動作順序
(1)、電磁閥DT1通電,氣壓作用在儲油筒液壓油表麵,氣缸段總行程開始向下作位移;
(2)、活塞杆位移遇到阻力,DT1保持,此時DT2通電,增壓段總成開始作位移;
(3)、根據加工工件保壓需要,DT2斷電,此時增壓段總成複位,增壓缸卸壓;
(4)、DT1斷電,氣缸段總成複位,液壓油回位到儲油筒,些時一個動作循環完成。
八、JRG複合式型羞羞漫画WWW成人漫画樱缸氣路連接圖/動作順序
1、JRG複合式羞羞漫画WWW成人漫画樱缸氣路連接圖

2、JRG複合式羞羞漫画WWW成人漫画樱缸動作順序
(1)、電磁閥DT1通電,氣壓作用在儲油筒液壓油表麵,氣缸段總行程開始向下作位移;
(2)、活塞杆位移遇到阻力,DT1保持,此時DT2通電,增壓段總成開始作位移;
(3)、根據加工工件保壓需要,DT2斷電,此時增壓段總成複位,增壓缸卸壓;
(4)、DT1斷電,氣缸段總成複位,液壓油回位到儲油筒,些時一個動作循環完成。
九、JRM快速型羞羞漫画WWW成人漫画樱缸氣路連接圖/動作順序
1、JRM快速型羞羞漫画WWW成人漫画樱缸氣路連接圖

2、JRM快速型羞羞漫画WWW成人漫画樱缸動作順序
(1)、電磁閥DT1通電,氣壓作用在儲油筒液壓油表麵,氣缸段總行程開始向下作位移;
(2)、活塞杆位移遇到阻力,DT1保持,此時DT2通電,增壓段總成開始作位移;
(3)、根據加工工件保壓需要,DT2斷電,此時增壓段總成複位,增壓缸卸壓;
(4)、DT1斷電,氣缸段總成複位,液壓油回位到儲油筒,些時一個動作循環完成。
十、JRO預壓式羞羞漫画WWW成人漫画樱缸氣路連接圖/動作順序
1、JRO預壓式羞羞漫画WWW成人漫画樱缸氣路連接圖

2、JRO預壓式羞羞漫画WWW成人漫画樱缸動作順序
(1)、電磁閥DT1通電,氣壓作用在儲油筒液壓油表麵,氣缸段總行程開始向下作位移;
(2)、活塞杆位移遇到阻力,DT1保持,此時DT2通電,增壓段總成開始作位移;
(3)、根據加工工件保壓需要,DT2斷電,此時增壓段總成複位,增壓缸卸壓;
(4)、DT1斷電,氣缸段總成複位,液壓油回位到儲油筒,些時一個動作循環完成。
十一、JRP並列式羞羞漫画WWW成人漫画樱缸氣路連接圖/動作順序
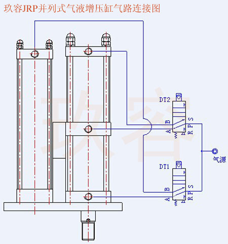
1、JRP並列式羞羞漫画WWW成人漫画樱缸氣路連接圖

2、JRP並列式羞羞漫画WWW成人漫画樱缸動作順序
(1)、電磁閥DT1通電,氣壓作用在儲油筒液壓油表麵,氣缸段總行程開始向下作位移;
(2)、活塞杆位移遇到阻力,DT1保持,此時DT2通電,增壓段總成開始作位移;
(3)、根據加工工件保壓需要,DT2斷電,此時增壓段總成複位,增壓缸卸壓;
(4)、DT1斷電,氣缸段總成複位,液壓油回位到儲油筒,些時一個動作循環完成。
十二、JRT倒裝型羞羞漫画WWW成人漫画樱缸氣路連接圖/動作順序
1、JRT倒裝型羞羞漫画WWW成人漫画樱缸氣路連接圖

2、JRT倒裝型羞羞漫画WWW成人漫画樱缸動作順序
(1)、電磁閥DT1通電,氣壓作用在儲油筒液壓油表麵,氣缸段總行程開始向下作位移;
(2)、活塞杆位移遇到阻力,DT1保持,此時DT2通電,增壓段總成開始作位移;
(3)、根據加工工件保壓需要,DT2斷電,此時增壓段總成複位,增壓缸卸壓;
(4)、DT1斷電,氣缸段總成複位,液壓油回位到儲油筒,些時一個動作循環完成。
