全國定製谘詢熱線
0769-23103048
羞羞漫画WWW成人漫画樱缸設備行業優選品牌!

羞羞答答在线观看標準型羞羞漫画WWW成人漫画樱缸氣路連接說明
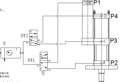
一、增壓缸配件
1、ZG3/8”快速接頭4個;
2、1/2”消聲音器2個;
3、二位五通電磁閥2隻;
4、12厘氣管4根(長度適中)

二、動作程序
1、p2p3通氣,此時缸處於回升狀態。
2、p1p3通氣,p2排氣,壓縮空氣作用在儲油桶的液壓油表麵,液壓油驅動預壓腔活塞作位移,並使預壓腔活塞杆軸端的模具抵觸工件。
3、p1斷氣,p4通氣,p3排氣。
,壓縮空氣作用在增壓活塞作位移,去擠壓預壓腔的液壓油,使液壓油膨脹,從而使預壓活塞杆軸段的模具保持高壓力去擠壓成型工作。
4、4.p3進氣,p4排氣。增壓缸增壓活塞回升,增壓活塞到位後,p2氣口進氣,預壓活塞回位,液壓油到儲油桶內,此時,一個動作完成。
